File:Diodestringfilter.jpg

From OpenCircuits
Revision as of 05:16, 21 January 2011 by Downloader (talk | contribs) (24db/Oktave Lowpass Filter, aufgebaut mit aktivem Tiefpass, bestehend aus einem Operationsverstärker, zwei Siliziumdioden, einem Folienkondensator. Der Diodenstrom wird über einen Stromspiegel zur Verfügung gestellt. Damit wird die Grenzfrequenz gesteu)
(diff) ← Older revision | Latest revision (diff) | Newer revision → (diff)
Jump to navigation Jump to search

Original file(7,017 × 4,958 pixels, file size: 1.06 MB, MIME type: image/jpeg)

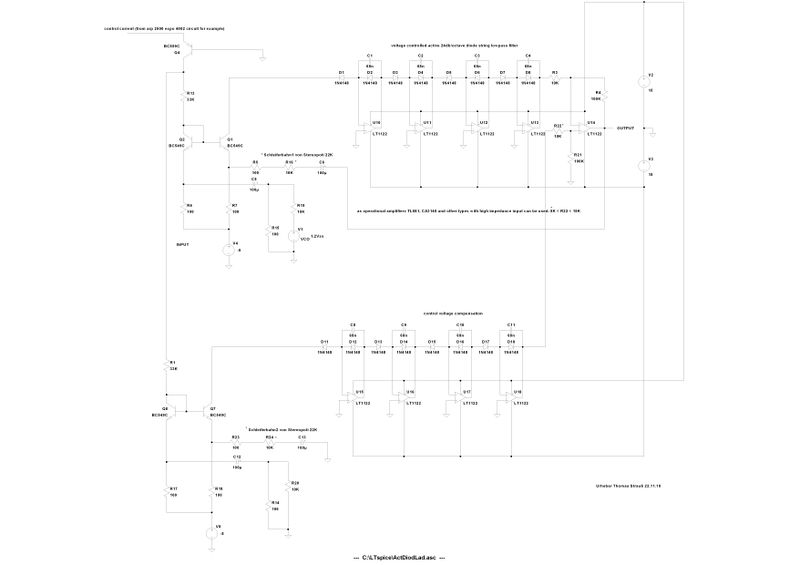
24db/Oktave Lowpass Filter, aufgebaut mit aktivem Tiefpass, bestehend aus einem Operationsverstärker, zwei Siliziumdioden, einem Folienkondensator. Der Diodenstrom wird über einen Stromspiegel zur Verfügung gestellt. Damit wird die Grenzfrequenz gesteuert.

Über die Emitter der Spiegeltransistoren werden Audiosignale eingespeist. Die Kaskade ist doppelt aufgebaut, damit über die Ausgangsstufe das Steuersignal kompensiert werden kann. Die Ausgangsstufe ist ein Differenzverstärker.

Der Filter kann z.B. in Synthesizern als spannungsgesteuerter Tiefpass verwendet werden. Dazu braucht man noch einen Exponentialkonverter wie z.B. den Arp2500 EXPO 4002 Konverter.

File history

Click on a date/time to view the file as it appeared at that time.

Date/TimeThumbnailDimensionsUserComment
current05:16, 21 January 2011Thumbnail for version as of 05:16, 21 January 20117,017 × 4,958 (1.06 MB)Downloader (talk | contribs)24db/Oktave Lowpass Filter, aufgebaut mit aktivem Tiefpass, bestehend aus einem Operationsverstärker, zwei Siliziumdioden, einem Folienkondensator. Der Diodenstrom wird über einen Stromspiegel zur Verfügung gestellt. Damit wird die Grenzfrequenz gesteu

There are no pages that use this file.